一、产品概述
250SCY14-1B轴向柱塞泵将具有31.5MPa压力的纯净的液压油输入到各种油压机、液动机等液压系统中,以产生巨大的工作动力。同时该油泵可以作为液压马达使用。根据需要,本油泵有多种变量形式。本油泵,油马达广泛用于船舶、航空、矿山、冶金、压铸、锻造、机床的各类机械中,其特点是体积小、效率高、寿命长、设计先进、结构紧凑、维护方便。
二、型号说明

示例:63SCY14-1B
表示:排量为63毫升/转,压力为31.5MPa的手动变量的缸体旋转的轴向柱塞油泵。
(即1000r/min时公称流量为63L/min)
三、油泵系列规格(见表1.表2)
| 公称排量 | 1.25 | 2.5 | 5 | 10 | 2.5 | 63 | 160 | 250 | ||
| 额定压力(MPa) | 31.5 | |||||||||
| 理论(空载)排量(ml/r) | 1.74 | 3.49 | 5.5 | 10.9 | 26.9 | 67.8 | 175.6 | 253.8 | ||
| 1000r/min的公称流量(l/min) | 1.25 | 2.5 | 5 | 10 | 25 | 40 | 63 | 160 | 250 | |
| 公称转速(r/min) | 1500 | 1500 | 1500 | 1500 | 1500 | 1500 | 1000 | 1000 | ||
| 最高转速(r/min) | ||||||||||
| 最大理论扭矩(Nm) | 8.7 | 17.5 | 27.4 | 54.6 | 134.9 | 339.9 | 880.3 | 1272.4 | ||
| 1000r/min的最大理论功率(KW) | 0.9 | 1.8 | 2.9 | 5.7 | 14.1 | 20.7 | 35.6 | 92.2 | 133.2 | |
| 变量 形式 |
CCY14-1B | 0 | 0 | 0 | 0 | 0 | ||||
| DCY14-1B | √ | √ | √ | √ | √ | √ | ||||
| YCY14-1B | √ | √ | √ | √ | √ | |||||
| SCY14-1B | √ | √ | √ | √ | √ | √ | ||||
| MCY14-1B | √ | √ | √ | √ | √ | |||||
| PCY14-1B | √ | √ | √ | √ | √ | √ | ||||
| LCY14-1B | 0 | 0 | 0 | 0 | 0 | |||||
| ZCY14-1B | 0 | 0 | 0 | 0 | 0 | 0 | ||||
| MYCY14-1B | √ | √ | √ | √ | √ | |||||
| BCY14-1B | √ | √ | √ | √ | √ | √ | ||||
| 公称排量 | 16 | 32 | 80 | 400 | |
| 额定压力(MPa) | 25 | ||||
| 理论(空载)排量(ml/r) | 17 | 34.1 | 87.6 | 365.5 | |
| 1000r/min的公称流量(l/min) | 16 | 32 | 80 | 400 | |
| 公称转速(r/min) | 1500 | 1500 | 1500 | 1000 | |
| 最高转速(r/min) | 特定 | ||||
| 最大理论扭矩(Nm) | 67.6 | 135.5 | 348.2 | 1452.7 | |
| 1000r/min的最大理论功率(KW) | 7.4 | 14.8 | 37 | 169.2 | |
| 变量 形式 |
CGY14-1B | 0 | 0 | 0 | 0 |
| YGY14-1B | √ | √ | √ | √ | |
| DGY14-1B | √ | √ | √ | √ | |
| SGY14-1B | √ | √ | √ | √ | |
| MGY14-1B | √ | √ | √ | √ | |
| PGY14-1B | √ | √ | √ | √ | |
| LGY14-1B | √ | √ | √ | √ | |
| ZGY14-1B | 0 | 0 | 0 | 0 | |
| BGY14-1B | √ | √ | √ | √ | |
| MYGY14-1B | √ | √ | √ | √ | |


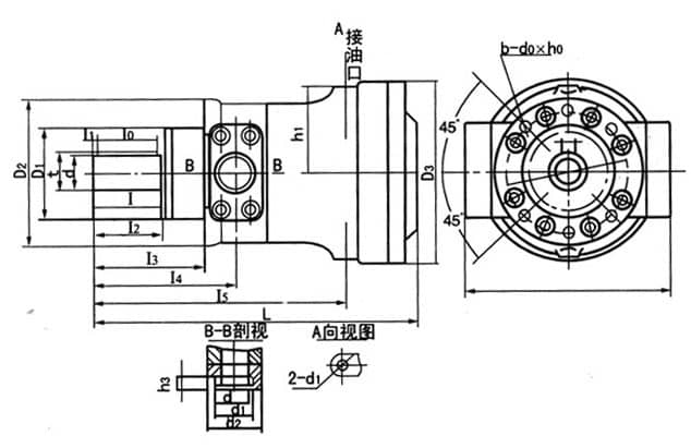
| 型号 | b | b0 | b3 | D0 | D1 | D2 | D3 | d | d1 | d2 | d3 | h1 |
| (N0) | (f9) | (h6) | ||||||||||
| 10MCY14-1B | 142 | 8 | 100 | 75 | 125 | 150 | 25 | M22×1.5 | M14×1.5 | 71 | ||
| 25.(32)MCY14-1B | 172 | 8 | 125 | 100 | 150 | 170 | 30 | M33×2 | M14×1.5 | 83 | ||
| 40MCY14-1B | 180 | 10 | 135 | 100 | 164 | 182 | 32 | M39×2 | M18×1.5 | 87 | ||
| 63.(80)MCY14-1B | 200 | 12 | 155 | 120 | 190 | 225 | 40 | M43×2 | M18×1.5 | 108 | ||
| 160MCY14-1B | 340 | 16 | 90 | 198 | 150 | 240 | 300 | 55 | 50 | 64 | M22×1.5 | 141 |
| 250.(400)MCY14-1B | 420 | 18 | 110 | 230 | 180 | 280 | 360 | 60 | 55 | 76 | M22×1.5 | 170 |
| 型号 | h3 | L | I | I0 | I1 | I2 | I3 | I4 | I5 | t | d0×h0 | |
| 10MCY14-1B | 253 | 40 | 30 | 4 | 41 | 86 | 109 | 194 | 28 | M10×25深 | ||
| 25.(32)MCY14-1B | 308 | 52 | 45 | 4 | 54 | 104 | 134 | 246 | 32.5 | M10×25深 | ||
| 40MCY14-1B | 311 | 49 | 45 | 4 | 54 | 104 | 136 | 236 | 35 | M10×25深 | ||
| 63.(80)MCY14-1B | 385 | 60 | 50 | 4 | 62 | 122 | 157 | 300 | 42.8 | M10×25深 | ||
| 160MCY14-1B | 25 | 525 | 106 | 100 | 4 | 110 | 180 | 230 | 411 | 59 | M16×25深 | |
| 250MCY14-1B | 25 | 622 | 110 | 100 | 5 | 112 | 212 | 272 | 492 | 63.9 | M20×25深 | |
| 400MCY14-1B | 28 | 632 | 110 | 100 | 5 | 112 | 212 | 277 | 502 | 63.9 | M20×35 | |
250SCY14-1B轴向柱塞泵,欢迎来电咨询!
2021-07-06